类别:语音电路 发布于:2014/12/22 | 2463 次阅读
语音识别芯片很多,下面以756410为例介绍语音识别集成电路。TSC410语音识别芯片能识别40个字段,并产生40个不同的控制信号(以二进制的形式出现),可以满是 大部分语音控制的需要。此芯片广泛应用于声音的自动控制、多媒体技术应用和电脑的语音指令输人等方面。
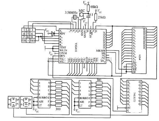
756410语音识别芯片内部由CPU、A/D转换、ROM、语音放大电路、压缩电路、滤波电路、振荡器和接口界 面等部分组成。TSC410语音识别芯片的特点是:采用单片结构,外围元件少,识别容量大,保密性强,响 应时间短,操作方式多样和分段方式灵活等。756410一般由两种操作方式,即人工控制方式和CPU控制方式。CPU控制方式需要接单片机及其扩展电路 ,限于篇幅在此不予介绍,请参阅其他书目。下面以人工控制方式为例介绍756410的应用电路及其工作原 理,如图1所示为756410人工控制的电路原理图。
语音识别电路的工作过程通常分为两步:①建立样本;②识别样本。所谓建立样本是指将特定的语音输 人的过程。如可以对着话筒输人“请进”等语音,语音芯片接收“请进”这个语音后,先对其进行放大、 整形,再对其进行带通滤波,滤除不必要的高频和低频成分,经压缩后,再送入A/D转换器,将其变成数字信号。这样做可以保证在有足够鉴别精度的前提下,减少CPU对数据的处理量,以节约RAM的空间和提高 芯片对语音识别的速度。经过以上过程,在CPU的控制下,将所输人的语音信号以数字信号的形式存人了 语音样本区,即完成了第一步建立样。
人工控制的语音识别系统电路设计

图1 756410人工控制的电路原理图
输人语音时需注意,人在讲话时,不能离话筒太近,也不能离话筒太远,说话时音量不能太大,也不能太小,以免引起失真,而不利于建立样本。当样本建立后,如果有语音再输入话筒,芯片就开始识别样 本。如再说“请进”,芯片便将这个语音进行处理(放大、整形、滤波、压缩、A/D转换),转换成数字 信号后,将它与所建立的样本逐个进行比较,当找到这个语音信号与某个样本信号相同时,芯片便输出该 区的区号,即可以从芯片的数据总线上得到一个数据,对这个数据进行相应的处理后,便可以驱动相应的 执行机构动作,如这时门就自动开了,请客人进人房间内。当将所输人的语音信号与所建立的样本逐个进 行比较,比较后找不到与这个语音信号相同的样本信号时,芯片就发出识别失败的信号。这就是第二步识 别样本。
上一篇: 语音电路中的嵌入式语音识别系统电路设计